ÐË·¢ÓÎÏ·187pt

Ò½ÔºÒ½ÁƸôÀëµçÔ´½â¾ö¼Æ»®
1¡¢¸ÅÊö
  ¡¶ÃñÓÃÐÞ½¨µçÆøÉè¼Æ¹æ·¶¡·14.7.6.3ÌõÃ÷È·»®¶¨£ºÔÚµçԴͻȻÖÐÖ¹ºó£¬£¬£¬ £¬£¬£¬ £¬ÖØ´óÒ½ÁÆÎ£Ïյij¡ºÏ£¬£¬£¬ £¬£¬£¬ £¬Ó¦½ÓÄɵçÁ¦ÏµÍ³²»½ÓµØ£¨ITϵͳ£©µÄ¹©µç·½·¨¡£ ¡£¡£¡£¡£¡£ ¡£¡£Í¬Ê±¡¶Ò½ÔºÇå½àÊÖÊõ²¿ÐÞ½¨ÊÖÒչ淶¡·GB50333-2002Öл®¶¨£º2ÀàÒ½ÁƳ¡ºÏÔÚά³Ö»¼ÕßÉúÃü£¬£¬£¬ £¬£¬£¬ £¬Íâ¿ÆÊÖÊõºÍÆäËûλÓÚ»¼ÕßÖÜΧµÄµçÆø×°ÖþùÓ¦½ÓÄÉÒ½ÓÃITϵͳ¡£ ¡£¡£¡£¡£¡£ ¡£¡£È磺ÇÀ¾ÈÊÒ£¨ÃÅÕïÊÖÊõÊÒ£©¡¢ÊÖÊõÊÒ¡¢ÐÄÔà¼à¿ØÖÎÁÆÊÒ¡¢µ¼¹Ü½éÈëÊÒ¡¢Ñª¹ÜÕÕÓ°¼ì²éÊҵȡ£ ¡£¡£¡£¡£¡£ ¡£¡£

  ÐË·¢ÓÎÏ·187ptµÄÒ½ÁƸôÀëµçÔ´½â¾ö¼Æ»®ÊÇÕë¶ÔÒ½ÁÆ¢òÀೡºÏµÄ¹©µçÐèÇó¶ø¿ª·¢Éè¼ÆµÄ£¬£¬£¬ £¬£¬£¬ £¬Äܹ»ºÜºÃµÄÖª×ãÖÖÖÖÊÖÊõÊÒºÍÖØÖ¢¼à»¤ÊÒ¶ÔµçÔ´Çå¾²ÐԺͿɿ¿ÐÔµÄÒªÇ󣬣¬£¬ £¬£¬£¬ £¬²¢ÇкϹú¼ÒÏà¹Ø±ê×¼¡£ ¡£¡£¡£¡£¡£ ¡£¡£

2¡¢²Î¿¼±ê×¼

GB16895.24-2005 ¡¶ÐÞ½¨ÎïµçÆø×°Öà µÚ7-710²¿·Ö£ºÌØÊâ×°Öûò³¡ºÏµÄÒªÇó Ò½ÁƳ¡ºÏ¡·

JGJ16-2008 ¡¶ÃñÓÃÐÞ½¨µçÆøÉè¼Æ¹æ·¶¡·

JGJ312-2013 ¡¶Ò½ÁÆÐÞ½¨µçÆøÉè¼Æ¹æ·¶¡·

3¡¢ÉèÖüƻ®

¡ô  ICU¡¢CCU²¡·¿ITÅäµç½â¾ö¼Æ»®

 

ICU¡¢CCU¸ôÀëµçÔ´¼Æ»®ÉèÖñí 

 

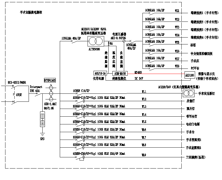
¡ô ÊÖÊõÊÒÅäµç½â¾ö¼Æ»®

¼Æ»®Ò» ²»´ø¾øÔµ¹ÊÕ϶¨Î»¹¦Ð§

 

¼Æ»®¶þ ´ø¾øÔµ¹ÊÕ϶¨Î»¹¦Ð§

 

ÊÖÊõÊÒITÅäµç¼Æ»®ÉèÖñí

 
¿Í·þ1
¿Í·þ2
¿Í·þ3
¿Í·þ4
ÍøÕ¾µØÍ¼