ÐË·¢ÓÎÏ·187pt

ANAPFÓÐÔ´µçÁ¦Â˲¨Æ÷

  • ²úÆ·¼ò½é
  • ÊÖÒÕ²ÎÊý
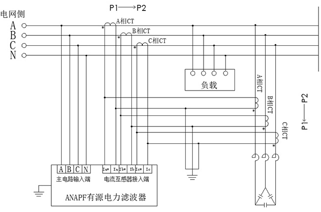
  • Ó¦ÓÃ×éÍøÍ¼
  • ÐÎ×´×°ÖÃ
  • ²úÆ·±¨¼Û
¹¦Ð§£º
ANAPFϵÁÐÓÐÔ´µçÁ¦Â˲¨Æ÷ͨ¹ýµçÁ÷»¥¸ÐÆ÷ÊÕÂÞϵͳг²¨µçÁ÷£¬£¬£¬£¬£¬¾­¿ØÖÆÆ÷¿ìËÙÅÌËã²¢ÌáÈ¡¸÷´Îг²¨µçÁ÷µÄº¬Á¿£¬£¬£¬£¬£¬±¬·¢Ð³²¨µçÁ÷Ö¸Á£¬£¬£¬£¬Í¨¹ý¹¦ÂÊÖ´ÐÐÆ÷¼þ±¬·¢Óëг²¨µçÁ÷·ùÖµÏàµÈÆ«ÏòÏà·´µÄÅâ³¥µçÁ÷£¬£¬£¬£¬£¬²¢×¢ÈëµçÁ¦ÏµÍ³ÖУ¬£¬£¬£¬£¬´Ó¶øµÖÏû·ÇÏßÐÔ¸ºÔØËù±¬·¢µÄг²¨µçÁ÷ ¡£¡£¡£¡£¡£
 
Ó¦ÓùæÄ££º
ÊÊÓÃÓÚ²¢ÁªÔÚº¬Ð³²¨¸ºÔصĵÍѹÅäµçϵͳÖУ¬£¬£¬£¬£¬Äܹ»¶Ô¶¯Ì¬×ª±äµÄг²¨µçÁ÷¾ÙÐпìËÙʵʱµÄ¸ú×ÙºÍÅâ³¥ ¡£¡£¡£¡£¡£
 
¶©»õ¹æ·¶£º
ÏêϸÐͺţºANAPF150-380/BGL
ÊÖÒÕÒªÇó£ºÐ³²¨Åâ³¥µçÁ÷150A£¬£¬£¬£¬£¬ÏßµçѹƷ¼¶380V ¡£¡£¡£¡£¡£
½ÓÏß·½·¨£ºÈýÏàËÄÏß
×°Ö÷½·¨£ºÁ¢¹ñʽ
»¥¸ÐÆ÷½ÓÏß·½·¨£º¸ºÔزà
¿Í·þ1
¿Í·þ2
¿Í·þ3
¿Í·þ4
ÍøÕ¾µØÍ¼